Ce guide pratique se veut une aide pour toutes les personnes souhaitant utiliser des capteurs capacitifs mais qui ne sont pas familiers avec les notions et les principes sur lesquels ils reposent. Cet article permet de simplifier l’approche des mesures capacitives sans toutefois être simpliste : le but est de permettre à l’utilisateur actuel ou futur de choisir puis de mettre en œuvre au mieux le capteur capacitif qu’il aura choisi, qu’il soit simple ou différentiel.
En effet, si le principe de base peut sembler simple, sa mise en œuvre risque de paraître décourageante. En effet, il y a un fossé entre les formules « de base » utilisées en première approche et leur applications pratiques. Ce guide s’efforce donc de montrer d’où proviennent ces différences et de proposer les moyens de s’en affranchir. Même si cet ouvrage n’entre pas dans la catégorie des écrits « académiques », il a été rédigé par Alain BRUERE, un spécialiste reconnu de ce domaine ayant fondé la société CAPAAB, partenaire exclusif d’Alliantech. Les nombreuses réalisations à son actif lui ont permis de tirer parti des nombreuses applications possibles en ayant déjoué tous les pièges durant sa longue carrière.
Aussi, si vous souhaitez vous lancer dans l’utilisation de ce principe de mesure, nous vous invitons à lire attentivement ce document… ou à confier votre problème aux personnes qui « savent », à savoir les experts de CAPAAB et d’Alliantech qui maîtrisent cette technologie de mesure capacitive. Ce texte présente les applications « dimensionnelles » (distance sans contact, hauteur de liquide) et celles où la constante diélectrique relative évolue en fonction du phénomène physique à quantifier.
Sommaire – Avec accès direct aux rubriques de l’article
- 1 - Le condensateur utilisé en capteur
- 2 - Comment mesurer le seul condensateur C ?
- 2.1 - Cas n°1 : les deux connexions du condensateur sont accessibles
- 2.2 - Cas n° 2 : l’une des connexions du condensateur est à la masse
- 2.3 - Cas n° 3 : mesure linéaire en capacité où l’une des connexions du condensateur est à la masse
- 2.4 - Comment passer d’une mesure linéaire en capacité où l’une des connexions du condensateur est à la masse à une mesure linéaire en distance ?
- 3 - Comment augmenter la plage linéaire de mesure ?
- 4 - Câble triaxial : attention aux fuites
- 5 - Mesure de distance : précautions de mise en œuvre
- 6 - Cas de cibles discontinues
- 7 - Comment réaliser une mesure capacitive différentielle ?
- 8 - Et la bande passante ?
- 9 - Autres applications non dimensionnelles
- 9.1 - Mesure de la constante diélectrique relative
- 9.2 - Mesure de la hauteur de liquide conducteur
- 9.3 - Mesure de la hauteur de liquide isolant
- 9.4 - Mesure du taux d’humidité des solides (sable, sols...)
- 10 - Conditionneurs : principe de fonctionnement
- 11 - Mesure de distance : exemples d’utilisations
- 11.1 - Utilisations générales
- 11.2 - Utilisations dans l'automobile
- 11.3 - Utilisations dans l'aéronautique et le spatial
- 12 - Produits disponibles
- 12.1 - Conditionneurs capacitifs
- 12.1.1 - Conditionneurs capacitifs à sortie linéaire en capacité
- 12.1.2 - Conditionneurs capacitifs à sortie linéaire en capacité différentielle
- 12.1.3 - Conditionneurs capacitifs à sortie linéaire en distance
- 12.2 - Ponts de mesure capacito-résistifs
- 13 - Fournisseurs
- 14 - Annexe : capacité théorique capteur plan circulaire
1 - Le condensateur utilisé en capteur
Tout capteur capacitif repose sur le principe du condensateur.
Le condensateur C est généralement représenté sous la forme simplifiée de deux électrodes de surface S (planes, cylindriques, sphérique, etc.) en regard à une distance d, entre l’une et l’autre, et plongées dans un milieu de constante diélectrique Ɛ0 *Ɛr.
Ɛ0 représente la constante diélectrique du vide (8,8542 pF/m) et Ɛr représente la constante diélectrique relative du milieu. Par exemple, Ɛr vaut 1,00059 pour l’air sec et 2,2 pour l’huile minérale.
Cette forme simplifiée est trompeuse car, d’une part, le condensateur de départ (avec ses deux surfaces conductrices « à l’air libre » en regard) n’a pas de connexion et, d’autre part, il n’est pas situé loin de toute autre masse conductrice telle que la Terre. Cela a pour effet d’ajouter deux autres condensateurs Ct1 et Ct2 pour arriver au schéma ci-dessous plus proche de la réalité.
Vous pensez mesurer seulement C alors que Ct1 et Ct2 viennent s’ajouter.
Pour un condensateur à deux électrodes parallèles de surface S séparées de la distance d et placé dans un milieu de constante diélectrique Ɛ0 *Ɛr, la capacité théorique C formée vaut :
C = Ɛ0 *Ɛr * S/d
(formule n° 1)
Cette expression est « vraie » tant que C >> Ct1 + Ct2, c’est-à-dire (pour une valeur de S donnée) tant que d est « petit » par rapport à la plus petite des longueurs de S. Par exemple, si la surface S est constituée d’un disque de rayon r, il faut que r >> d.
Par ailleurs, pour fixer un ordre de grandeur, deux disques de 10 mm de diamètre placés en regard à 1 mm de distance, placés dans l’air ambiant, présentent une capacité théorique de 0,6948 pF. Soit l’équivalent de la capacité d’un câble coaxial standard (50 ohm d’impédance caractéristique) faisant 6,9 mm de longueur.
La formule n° 1 bien connue est issue du calcul intégral dans lequel on néglige complètement les « effets de bord ». La figure 1 suivante illustre la véritable répartition des lignes de courant et de champ. De manière intuitive, il est facile de voir que plus la distance e qui sépare les électrodes est faible par rapport à L, moins les « effets de bord » seront relativement moins importants.
Il n’existe aucune formule qui permettrait de calculer la véritable valeur de la capacité incluant la contribution des « effets de bord ».
Dans le cas de deux tubes concentriques de diamètres R et r, de longueur L, la valeur de la capacité C dans l’air ambiant a comme valeur théorique la Formule n° 2 suivante :
C= 2π Ɛ0 *Ɛr * L /(Ln R/r)
(formule n° 2)
Dans cette formule n° 2 théorique, les « effets de bord » aux deux extrémités des cylindres sont négligées. A diamètres donnés, ces « effets de bord » ont une contribution relative d’autant plus faible que la longueur des électrodes est grande.
A titre d’exemple, la valeur théorique de la capacité de deux cylindres concentriques faisant respectivement 20 et 16 mm de diamètre pour une longueur de 10 mm est égale à 2,4896 pF.
2 - Comment mesurer le seul condensateur C ?
Distinguons 2 cas :
- Tout d’abord, le plus simple, celui où les deux connexions des électrodes du condensateur sont accessibles ;
- Et, ensuite, le cas où la connexion située à gauche dans la figure 2 est reliée à la Terre, auquel cas, Ct1 est court-circuité et n’a pas d’effet…
2.1 - Cas n° 1 : les deux connexions du condensateur sont accessibles
En pratique, ce cas se rencontre, par exemple, avec les capteurs capacitifs de pression, les capteurs piézoélectriques, les capteurs de niveau constitués de deux cylindres concentriques…
Dans ce cas, pour les capteurs passifs, il suffit, d’un côté du condensateur, d’appliquer une tension de préférence sinusoïdale (de pulsation ω) et, de l’autre côté, de mesurer le courant qui circule dans le condensateur. La pulsation ω est de l’ordre de 2π (1000 à 100000).
L’application de la loi d’ohm (I = U/ Z) permet de déduire la valeur de C ([Z] = 1/Cω).
Mais, que se passe-t-il lorsque des câbles coaxiaux relient le générateur et l’ampèremètre au condensateur C ?
Pour cela, nous établissons le schéma équivalent de la figure 2, sachant que les câbles coaxiaux (pour des longueurs modérés) sont représentés par leur capacité âme / blindage équivalente Cc1 et Cc2 (typiquement 100 pF/ m). Ce qui fait que les capacités Ct1 et Ct2 sont négligeables.
La résistance interne du générateur V(ω) étant très faible, la charge que représentent les impédances de Cc1 et C ne modifie pas la valeur de l’amplitude de V(ω).
Par ailleurs, les capacités Ct1 et Ct2 par rapport à la Terre (le symbole triangle) se retrouvent en parallèle avec respectivement Cc1 et Cc2, et ne jouent plus aucun rôle.
Il n’est pas utile de plus détailler ce point puisqu’il ne représente pas de difficulté particulière.
Cette configuration convient à la mesure linéaire de capacité. Par contre, ce schéma ne convient plus pour mesurer la distance séparant les deux électrodes (le paramètre distance intervenant au dénominateur de la formule du condensateur plan).
Dans le prochain schéma, l’une des connexions du condensateur se retrouve à la masse.
2.2 - Cas n° 2 : l’une des connexions du condensateur est à la masse
Pour réaliser une mesure proportionnelle à l’inverse de la capacité, donc proportionnelle à la distance, il faudra remplacer la source de tension par une source de courant et l’ampèremètre par un amplificateur suiveur à très haute impédance d’entrée (très forte résistance et très faible capacité d’entrée). Cet amplificateur servira également à alimenter le blindage du câble de mesure*.
Le figure 3 ci-dessous illustre cette configuration.
Comme le blindage du câble coaxial est au même potentiel que son âme et alimenté par une source de tension (l’étage de sortie de l’amplificateur), il n’y a donc pas de différence de potentiel, ce qui entraîne qu’aucun courant ne circule entre ces deux conducteurs. Ainsi, le conducteur central qui alimente le condensateur ne présente aucune capacité par rapport à la terre.
Pour mesurer des valeurs faibles de C (typiquement << 1pF), il faut impérativement que l’impédance de sortie du générateur de courant, ainsi que celle d’entrée de l’amplificateur suiveur, soient très élevées de manière à ne pas y dériver de courant.
Cependant, cette solution ne convient pas pour avoir une mesure linéaire en capacité (et non pas à son inverse comme en mesure de distance) avec l’une des connexions du condensateur à la masse. Le chapitre suivant présente ce cas.
* Lorsque l’âme et le blindage d’un câble coaxial sont au même potentiel (donc avec aucune différence de potentiel entre l’âme et le blindage) il n’y a donc, d’une part, aucun courant y circulant et, d’autre part, l’âme du câble ne « voit » aucune autre électrode : aucun courant ne circule entre l’âme et toute autre électrode externe, dont la terre. En électrostatique, le terme de « garde » est employé pour désigner le rôle du blindage lorsqu’il est porté au même potentiel que le conducteur qu’il protège.
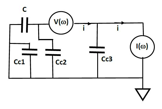
2.3 - Cas n° 3 : mesure linéaire en capacité où l’une des connexions du condensateur est à la masse
Dans le cas de la figure 4, la source de courant est remplacée par une source de tension V(ω).
I(ω) : l’ampèremètre ayant une résistance interne quasi nulle, aucun courant ne circule donc dans Cc3. Cc1 est court circuitée et n’a donc aucun rôle.
Par contre, C et Cc2 se retrouvent en parallèle et la mesure de C seul n’est pas possible.
En supposant que le générateur de tension V(ω) est totalement isolé de la terre, ce schéma mesure C + Cc2. Il faut donc trouver un moyen pour que Cc2 n’intervienne pas dans la mesure de C.
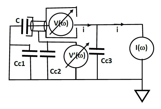
En pratique, isoler totalement de la masse le générateur de tension V(ω) est l’affaire de spécialistes. Seules deux sociétés au monde maîtrisent cette technique. Son principe va être présenté schématiquement ci-dessous dans la figure 5.
Pour isoler le générateur V(ω) de la terre, il faut disposer d’un second générateur de tension V’(ω) ayant la même amplitude, la même fréquence et la même phase, mais aussi dont l’une des sorties est reliée à la terre. L’autre sortie est utilisée pour « enfermer » dans une cage de Faraday (une « boîte » en métal) le générateur V(ω) ainsi que la liaison entre ce générateur V(ω) et la liaison vers le condensateur de mesure C.
Comme il n’y a pas de différence de potentiel entre cette « boîte » et le générateur V(w), aucun courant ne peut circuler vers la masse et l’effet de la capacité Cc2 est complètement annulé.
Ainsi, comme au chapitre 2.1, l’application de la loi d’ohm (I = U/ Z) permet de déduire la valeur de C ([Z] = 1/Cω).
ATTENTION : ce qui est présenté ci-dessus est un principe théorique. D’un point de vue réalisation pratique, sans une longue expérience de ce type de situation, il risque de se passer de longs mois avant d’arriver à un modeste résultat. Pour situer les choses, autant la réalisation du générateur V’(ω) ne pose pas de difficulté particulière, celle de V(ω) est autrement plus ardue… Alors, comment alimenter ce générateur sans faire « entrer des fils » et sans qu’ils n’introduisent de capacité par rapport à la masse ?
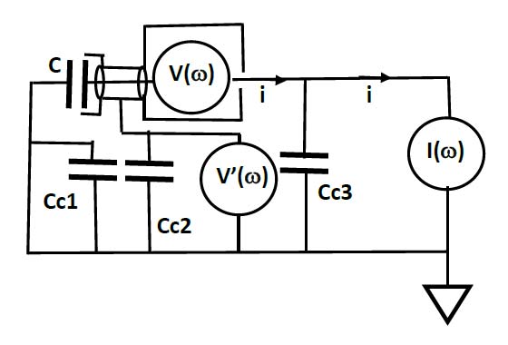
2.4 - Comment passer d’une mesure linéaire en capacité où l’une des connexions du condensateur est à la masse à une mesure linéaire en distance ?
Supposons que, dans le schéma du chapitre 2.3, au lieu que les deux générateurs de tension V(ω) et V’(ω) soient d’amplitude fixe (cf. figure 6), nous faisions varier simultanément (via une boucle d’asservissement disposant d’un modulateur d’amplitude) l’amplitude de ces deux générateurs de manière que l’amplitude du courant I(w) demeure constante lorsque la capacité varie avec la distance qui sépare ses armatures.
Nous nous retrouvons alors dans la configuration assimilable à celle du chapitre 2.2 où nous mettons en œuvre une source de courant dont l’amplitude demeure constante.
Nous voyons donc que le principe de la source de tension isolée de la masse permet d’obtenir les deux modes de fonctionnement (linéaire en capacité ou en son inverse pour être linéaire en distance).
Dans le premier cas, les deux générateurs de tension sont d’amplitude fixe. Dans le second, elles sont ajustées et sont ainsi vues comme source de courant d’amplitude constante.
Il avait été signalé au chapitre 2.2 que la réalisation pratique de source de courant à très haute impédance de fuite n’était pas simple. Par contre, la réalisation de source de tension à très faible impédance de sortie est beaucoup plus simple. Nous comprenons ainsi tout l’’intérêt du principe présenté ci-dessus.
Bénéficiez de l'accompagnement d'experts
Faites appel à Alliantech pour réaliser vos mesures capacitives
3 - Comment augmenter la plage linéaire de mesure ?
Lorsque la distance séparant les deux électrodes du capteur augmente (par exemple pour un capteur circulaire de rayon r, quand la distance d séparant les armatures est supérieure à environ r/5), nous observons que la réponse réelle s’éloigne de la réponse théorique.
En mesure de distance, cela se traduit par le fait qu’à partir de la distance d > r/5, la réponse s’éloigne de la droite et ce d’autant plus que cette distance augmente. On tend alors vers une asymptote, ce qui limite l’intérêt d’un tel capteur.
Heureusement, il existe un moyen simple d’augmenter la plage utile du capteur en utilisant un anneau de garde. Cet anneau entoure l’électrode centrale de mesure et est porté au même potentiel que l’électrode de mesure. Le générateur V’(ω) est tout indiqué pour ce rôle puisqu’il est au même potentiel, même fréquence et phase que celui relié à l’électrode de mesure.
La photo de la figure 7 ci-dessous illustre un capteur à anneau de garde de ce type.
Nous pouvons noter que la largeur de l’anneau de garde est comparable au diamètre de l’électrode centrale de mesure. Cette proportion a été déterminée de manière expérimentale car elle offre un bon compromis entre le diamètre du capteur et l’amélioration de la non-linéarité.
Avec un capteur tel que celui de la figure 7, la capacité résiduelle quand la distance d est infinie (appelé e dans la figure 1) a été mesurée dans le cas d’une électrode de mesure faisant 15 mm de diamètre.
Pour cette mesure, l’électrode de mesure est complètement « gardée » : un disque de 20 cm de diamètre extérieur, porté au potentiel de la garde entoure complétement l’électrode de mesure. La capacité de fuite mesurée est de l’ordre de 0,01pF. Elle est à comparer à la valeur théorique de la capacité pour une distance de 15 mm (soit la valeur du diamètre de l’électrode de mesure) qui vaut 0,104 pF. Cette capacité de fuite représente 1% de la capacité théorique à une distance de 15 mm.
Par contre, avec un anneau de garde faisant 40mm de diamètre extérieur, la capacité de fuite (comportant la contribution des effets de bord) atteint la valeur de 0,068 pF. Soit 68% de la valeur de la capacité théorique pour la distance de 15 mm. Inutilisable en mesure linéaire de distance sans correction…
4 - Câble triaxial : attention aux fuites
Bien que cela n’ait pas encore été précisé, le câble qui relie le capteur à son conditionneur est de type triaxial. Le blindage intermédiaire est relié au générateur de tension de garde côté conditionneur et à l’anneau de garde côté capteur.
Ce blindage intermédiaire est réalisé sous forme de tresse. Malheureusement, cette tresse n’est pas sans « fuite » du fait que les brins de la tresse ne sont pas totalement jointifs. Cela a pour conséquence d’entraîner la présence d’une capacité équivalente de fuite entre l’âme du câble (donc de l’électrode de mesure) et la tresse constituant le blindage externe.
Pour réduire cet effet, il est impératif de choisir un câble de type « faible bruit » qui présente un revêtement de graphite déposé sur l’isolant de l’âme. Ce revêtement vient créer une couche conductrice continue qui a pour effet de réduire la valeur de la capacité de fuite âme/masse de ce câble.
A titre d’illustration, deux câbles triaxiaux ont été comparés : le premier ne dispose pas de ce revêtement conducteur tandis que le second en possède un.
Pour le câble sans revêtement, la capacité de fuite âme / masse vaut 0,15 pF/m.
Pour le câble avec revêtement, elle tombe à 0,0015 pF/m.
Il en résulte que, même avec un revêtement conducteur, la capacité résiduelle de fuite n’est pas nulle. Dans les applications, de longs câbles capteur /conditionneur (par exemple 8m) sont associés à des capteurs ayant une « petite » électrode de mesure (par exemple 2mm). Cette capacité de fuite résiduelle est presque égale à la capacité du capteur à la distance de 2mm. De manière à avoir un minimum d’écart de linéarité, il est impératif de compenser cette capacité de fuite dans le conditionneur.
5 - Mesure de distance : précautions de mise en œuvre
Éviter le montage non perpendiculaire.
Éviter une cible plus petite que le capteur.
Éviter une surface rugueuse pour une mesure précise.
Éviter la poussière, l’huile ou l’eau entre le capteur et la cible.
6 - Cas de cibles discontinues
Cette configuration se rencontre fréquemment lorsque la cible est en mouvement rectiligne ou circulaire. C’est le cas par exemple pour la mesure du jeu entre le carter et les pales d’un compresseur en rotation ou d’une turbine en rotation.
Il s’agit d’une mesure de distance un peu particulière puisque tantôt le capteur est face à la cible, tantôt (entre deux aubes ou pales consécutives) face « à rien ». Autrement dit, entre deux pales, le capteur se retrouve en dehors de sa gamme de mesure, ce qui se traduit par le fait que le conditionneur à sortie linéaire en distance va se mettre en saturation. Mais l’instant d’après, lorsqu’une pale fait de nouveau face au capteur, le conditionneur doit se désaturer rapidement pour délivrer la bonne valeur.
En général, ce processus de désaturation « prend du temps » à l’échelle du phénomène. Dans ce cas particulier, cela entraîne qu’une mesure à sortie linéaire en distance n’est pas viable. La solution consiste alors à utiliser un conditionneur à sortie linéaire en capacité. Auquel cas, lorsque le capteur est face à aucune cible, la capacité est minimale, ce qui entraîne que la tension de sortie est voisine de zéro. La courbe d’étalonnage permettra de convertir la capacité mesurée en distance.
Vous avez besoin de réaliser des mesures capacitives ?
Nos experts Alliantech vous accompagnent tout au long de votre projet
7 - Comment réaliser une mesure capacitive différentielle ?
La principale difficulté réside, non pas dans la conception du capteur, même avec une électrode commune reliée à la masse, mais dans le conditionneur associé.
Pour réaliser une mesure différentielle, deux cas sont à considérer :
- Le premier cas où, avec la grandeur à mesurer, une capacité du capteur croît alors que l’autre décroît ;
- Et le second cas où le premier capteur est sensible à la grandeur à mesurer mais également à la température, tandis que le second n’est sensible qu’à la température (à des fins de compensation du premier).
En fait, avec le principe présenté au chapitre 2.3, il suffit de dupliquer les doubles sources de tension dans le premier cas, et dans le second cas, d’inverser en plus le signe de la seconde source pour disposer d’une mesure différentielle.
Encore une fois, il s’agit d’une approche de « spécialiste » et nous invitons le lecteur à nous consulter pour lui assurer un bon résultat.
8 - Et la bande passante ?
Le principe des deux sources de tensions V(ω) et V’(ω) peut s’employer sur une large plage de fréquence.
Pour les mesures statiques et basses fréquences, la fréquence utilisée est comprise entre 10 et 100 kHz. Les bandes passantes de mesure s’étendent alors respectivement du continu à 2 kHz et du continu à 20kHz.
Pour des mesures moyenne fréquence, la fréquence utilisée est de 300 kHz ce qui conduit à une bande passante de mesure s’étendant alors du continu à 60 kHz.
Enfin, pour des mesures haute fréquence, la fréquence utilisée est de 1,2MHz ce qui conduit à une bande passante de mesure s’étendant alors du continu à 250 kHz.
La fréquence maximale est définie à -3dB d’atténuation.
9 - Autres applications non dimensionnelles
9.1 - Mesure de la constante diélectrique relative
Une application typique concerne la mesure de l’évolution de la constante diélectrique relative de l’huile de type automobile ou aéronautique en fonction de la température. Pour ce faire, on utilise un capteur de type cylindrique qui est plongé dans l’huile. Au préalable, la capacité du capteur est mesurée à l’air libre sur la plage de température retenue pour qualifier l’huile.
Une autre application concerne l’évaluation du taux d’aération d’un liquide isolant en écoulement dans une canalisation. La constante diélectrique relative est maximale en l’absence de « bulles » et décroit en leur présence. En effet, la constante diélectrique d’une « bulle » (vide ou vapeur) est plus faible que celle du liquide environnant. L’intérêt de ce type de capteur (voir figure 8) réside dans le fait que la canalisation elle-même (métallique) constitue l’une des électrodes du condensateur qui est réunie à la « masse ».
Capacité Cc équivalente entre l’électrode de mesure et la masse (la canalisation)
9.2 - Mesure de la hauteur de liquide conducteur
Pour mesurer la hauteur d’un liquide conducteur (eau ordinaire ou eau de mer), il suffit d’isoler électriquement l’électrode de mesure (revêtement de PTFE par exemple). Le liquide conducteur constitue la seconde électrode du capteur.
Cette électrode de mesure peut s’étendre de quelques cm à plusieurs mètres. La sensibilité du conditionneur sera adaptée à la longueur du capteur.
Pour des applications « simples », l’électrode de mesure peut être réalisée à l’aide d’un simple fil de câblage recouvert de PTFE. Avec un fil recouvert de PTFE faisant 1,2 mm de diamètre externe, la sensibilité typique est de 500 pF/mètre.
9.3 - Mesure de la hauteur de liquide isolant
Pour mesurer la hauteur d’un liquide isolant (huile, essence…), un capteur cylindrique est utilisé avec deux électrodes supplémentaires aux deux extrémités et réunies à la garde de manière à délimiter la longueur de mesure.
De manière à avoir un capteur dont la réponse peut être rendue indépendante de la nature du liquide, il suffit d’ajouter une électrode de mesure de hauteur fixée (2 mm par exemple). La capacité mesurée sera alors uniquement liée à la nature du liquide utilisé.
La figure 9 ci-contre représente un capteur de hauteur de liquide cryogénique à court temps de réponse (< 1 s).
Ce court temps de réponse est obtenu en permettant une circulation rapide du liquide grâce aux ouvertures pratiquées dans le tube externe du capteur.
Ce capteur est directement vissé dans le corps du réservoir qui contient le liquide. Il n’est donc pas utile de l’isoler électriquement puisque le conditionneur accepte qu’une des électrodes du capteur soit réunie électriquement à la « masse ».
La figure 9 ci-dessus représente un capteur de hauteur de liquide cryogénique à court temps de réponse (< 1 s).
Ce court temps de réponse est obtenu en permettant une circulation rapide du liquide grâce aux ouvertures pratiquées dans le tube externe du capteur.
Ce capteur est directement vissé dans le corps du réservoir qui contient le liquide. Il n’est donc pas utile de l’isoler électriquement puisque le conditionneur accepte qu’une des électrodes du capteur soit réunie électriquement à la « masse ».
9.4 - Mesure du taux d’humidité des solides (sable, sols...)
L’appareil repose sur le principe bien connu de la mesure de l’impédance capacitive / résistive présente entre deux électrodes induisant un champ électrique dans le matériau.
L’apport de ce principe de mesure, essentiel en termes de précision et de dynamique, réside dans la méthode de mesure employée. En effet, nous faisons appel à une structure en pont de type capacito-résistif haute fréquence à équilibrage automatique.
Cette méthode de « zéro » est la seule à même de permettre la discrimination entre les contributions des parties réelles et imaginaires de l’impédance, ce que les méthodes (fréquentielles ou temporelles) type oscillateur ne peuvent apporter. Ainsi, il est possible de couvrir le domaine allant des matériaux à faibles pertes à ceux à fortes pertes.
Dans le cas de la mesure d’humidité des sols, il a été montré que le terme capacitif est lié au taux d’humidité et que le terme résistif est lié à la nature du sol.
Ci-contre (figure 10) un exemple de capteur de mesure du gradient d’humidité des sols : le cylindre de gauche constitue l’électrode d’excitation et celui de droite est constitué de plusieurs cylindres empilés.
En permutant les tensions appliquées à ces cylindres entre mesure et garde, on définit ainsi différentes « tranches » de sol, ce qui permet de qualifier le gradient d’humidité en fonction de la profondeur.
Ci-dessous (figure 10) un exemple de capteur de mesure du gradient d’humidité des sols : le cylindre de gauche constitue l’électrode d’excitation et celui de droite est constitué de plusieurs cylindres empilés.
En permutant les tensions appliquées à ces cylindres entre mesure et garde, on définit ainsi différentes « tranches » de sol, ce qui permet de qualifier le gradient d’humidité en fonction de la profondeur.
10 - Conditionneurs : principe de fonctionnement
Ci-dessous le schéma bloc de la chaîne capacitive (figure 11) :
Le système est bâti autour d’un pont de mesure à fréquence porteuse. Nous en retrouvons donc les fonctions essentielles : oscillateur, amplificateur, démodulateur synchrone.
Ce pont a la particularité d’être asservi à l’équilibre par l’utilisation d’une boucle de retour commandée à partir du réseau intégrateur actif RC en sortie et d’un modulateur d’amplitude synchronisé par l’oscillateur.
Le descriptif succinct du fonctionnement est donné en mode « C-1« .
La boucle d’asservissement permet d’ajuster le niveau de courant Ipol de manière à l’égaliser au courant Iref. Le courant Ie est alors nul. Le modulateur applique au capteur une tension (k .Vs) dont l’amplitude est l’image de la tension de sortie Vs.
A l’équilibre, Ipol = j k .Vs . Cx . ω et Iref = j . Vref . Cref . ω (avec ω = pulsation du signal de l’oscillateur).
Comme Ipol = Iref, cela entraîne :
Vs = Vref . Cref / k . Cx
Ce mode de fonctionnement correspond bien à la fonction « C-1« . En effet, la tension de sortie Vs est inversement proportionnelle à Cx (capacité du capteur) et donc proportionnelle à la distance séparant les armatures de Cx (Cx = [constante / distance] en géométrie plan / plan).
Le mode de fonctionnement « C » est obtenu en permutant les sources associées à Cx et Cref.
Dans ce cas, nous obtenons :
Vs = Vref . Cx / k . Cref
La tension Vs est alors proportionnelle à Cx.
REMARQUES
Dans les deux modes de fonctionnement, deux générateurs indépendants appliquent la même tension à l’électrode de mesure et à l’anneau de garde du capteur (au travers du câble triaxial de liaison capteur / électronique associée). Cette disposition courante en mesure capacitive de qualité permet d’assurer une configuration optimale à la topologie du champ électrique inter électrodes. Sans anneau de garde porté au même potentiel que l’électrode de mesure, des mesures linéaires en distance ne seraient pas possibles. En outre, ces mesures peuvent être effectuées même si le capteur est placé à l’extrémité d’un câble de liaison. Celui-ci est alors « transparent » dans la mesure où les effets de sa propre capacité parasite sont, par principe, totalement éliminés.
Afin d’illustrer les possibilités de mesure des chaînes capacitives CAP 100 (en mode C-1), le tableau suivant situe le niveau de bruit de mesure brut (hors moyenne, filtrage ou analyse FFT), exprimé en grandeur d’entrée (distance). Il apparaît, pour une bande de mesure égale à 1 Hz, que l’Angström est accessible même avec un capteur de 2mm.
Tableau de mesure en fonction du diamètre capteur et de la distance frontale
Bruit exprimé en nanomètre crête à crête par racine de Hz
Pour connaître, dans une application donnée, le bruit de mesure dans la bande passante retenue (généralement déterminée par le choix de la fréquence de coupure haute du filtre passe-bas de sortie), il suffit de multiplier la valeur du tableau correspondant au diamètre du capteur choisi et à la distance de travail moyenne retenue, par la racine de la bande de mesure.
Soit par exemple, pour un capteur de 4 mm de diamètre d’électrode de mesure, placé à 1 mm de la cible, et pour une bande allant de 0 à 200 Hz :
10 nm √Hz × √200 = 0,14 µm cc
Bénéficiez de l'accompagnement de nos experts
Réalisez vos mesures capacitives en toute fiabilité avec Alliantech
11 - Mesure de distance : exemples d’utilisations
11.1 - Utilisations générales
11.2 - Utilisations dans l'automobile
- Disques de frein : mesure d’épaisseur et de voile (au banc ou sur véhicule)
- Injecteurs de carburant : mesure du déplacement de l’aiguille
- Soupapes : mesure de son déplacement
- Turbocompresseur : mesure de jeu d’extrémité d’aube
- Pneumatiques : mesure de leur déformation
11.3 - Utilisations dans l'aéronautique et le spatial
- Disques de frein : mesure d’épaisseur et de voile (au banc ou sur aéronef)
- Compresseur ou turbine : mesure de jeu d’extrémité d’aube
- Aubes : mesure de vibration par la technique du « tip timing »
- Abradable : mesure de la dégradation d’épaisseur sur fan d’entrée
- Liquide cryogénique : mesure de la hauteur
REMARQUE : les applications présentées ci-dessus aux chapitres 11.2 et 11.3 ont fait l’objet de réalisations
concrètes auprès d’industriels français et étrangers.
12 - Produits disponibles
12.1 - Conditionneurs capacitifs
12.1.1 - À sortie linéaire en capacité
Bande passante du continu à quelques kHz :
- CAP 100 – 1 voie à sortie linéaire en capacité
- CAP 100 – 2 voies à sortie linéaire en capacité
Bande passante du continu à 250 kHz :
- CAP 1000 – 1 voie à sortie linéaire en capacité pour capteur triaxial
- CAP 1800 – 1 voie à sortie linéaire en capacité pour capteur pseudo triaxial
- CAP 1802 – 1 voie à sortie linéaire en capacité et sortie différence pour capteur pseudo triaxial à double électrodes
12.1.2 - À sortie linéaire en capacité différentielle
- CAP 100 D – 1 voie à sortie linéaire en capacité différentielle (du continu à quelques kHz)
12.1.3 - À sortie linéaire en distance
Modèle 1 voie :
- CAP 100 – 1 voie à sortie linéaire en distance
Modèle 2 voies en opposition de phase :
- CAP 100 PP – 2 voies à sortie linéaire en distance (pour cible non référencée)
Modèles 2 voies / 4 voies en phase :
- CAP 100 – 2 voies à sortie linéaire en distance
- CAP 100 – 4 voies à sortie linéaire en distance
12.2 - Ponts de mesure capacito-résistifs
Fréquence de polarisation de 1 à 800 kHz :
- CAP 100 RC – 1 voie à sortie linéaire en capacité + 1 voie à sortie linéaire en
conductance
Fréquence de polarisation de 1 à 32 MHz :
- MCRM 20 – 1 voie à sortie linéaire en capacité + 1 voie à sortie linéaire en conductance
13 - Fournisseurs
Vous avez besoin de réaliser des mesures capacitives ?
Nos experts Alliantech vous accompagnent tout au long de votre projet
Auteur : Alain BRUERE, PDG de la société CAPAAB, partenaire exclusif d’Alliantech
Ces articles pourraient aussi vous intéresser...
Comment le radar améliore la navigation inertielle en environnement dégradé
µADC et µADS : comment réussir des mesures aérodynamiques sous pression avec Aeroprobe
Transducteur de position à chaîne : quel modèle est le mieux adapté à mon application ?
Capteurs à triangulation laser : peuvent-ils répondre à vos besoins de mesure ?

